首頁 >> 產品中心 >> CNC加工中心機床用精密機械主軸
CNC加工中心機床用精密機械主軸
產品介紹
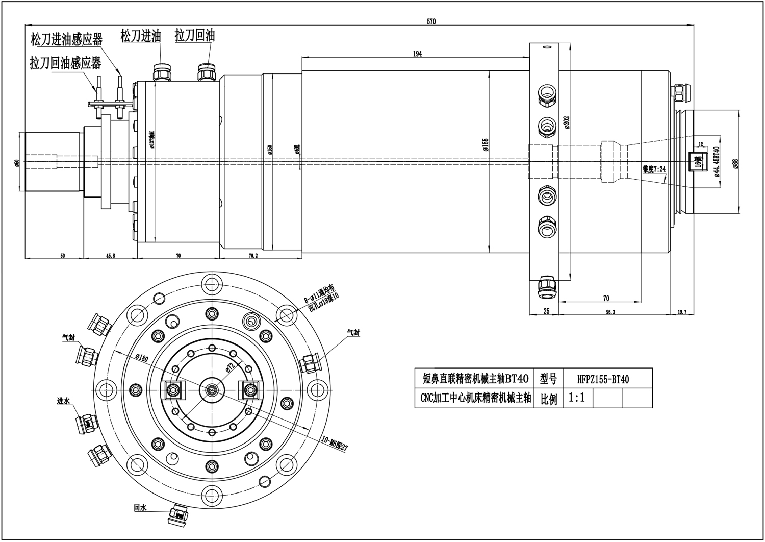
CNC加工中心機械主軸是我公司自主開發設計的精密機械軸,具有長壽命,高精度 大剛度等優點;廣泛運用于各類CNC數控機床, 轉速從1500--87000rpm,適配電機功率功率5.5--25KW,該類主軸采用氣密封和機械密封,對前軸承采用油冷/水冷 機械精度如下:1>同心度:內外圓同心度≤0.003mm,2>靜特旋轉精度:主軸的外徑回轉精度≤0.0015mm 端面跳動≤0.001mm ,3>剛度:軸向竄動≤0.001mm(軸向加力50Kg)徑向變形≤0.001mm(回零徑向加力50Kg),4>溫升:溫升≤10°,5>噪音:噪音≤60dB(靜音), 6>振動值:振動值≤0.8mm。檢驗棒300mm處四點均值≤0.008mm




推薦產品







